2002 Toyota Corolla Starter Relay Location : Starter relay - Toyota Nation Forum : Toyota Car and Truck Forums : Under the driver side dashboard, on top of the fuse box furthest.

2002 Toyota Corolla Starter Relay Location : Starter relay - Toyota Nation Forum : Toyota Car and Truck Forums : Under the driver side dashboard, on top of the fuse box furthest.. Here at advance auto parts, we work with only top reliable starter relay product and part brands so you can shop with complete confidence. I got suckered into buy the identity thing and now both of my remote are button stuck and i have to apply a lot of force to get it working. Under the driver side dashboard, on top of the fuse box furthest. The best part is, our toyota camry starter relay products start from as little as $17.99. It also cranks but don't start when i apply power to the red wire in the ignition switch plug in.

There will be a thick battery cable attached to the solenoid mechanism which is past of the starter. About press copyright contact us creators advertise developers terms privacy policy & safety how youtube works test new features press copyright contact us creators. There is also a starter cut relay in the dash right side that is triggered by the smart key. Here is a guide to help test it. Free same day store pickup.

Toyota Camry Questions - Can someone please tell me what to do so my car will not start? - CarGurus
Toyota Camry Questions - Can someone please tell me what to do so my car will not start? - CarGurus from static.cargurus.com
The average cost for a toyota corolla starter relay replacement is between $106 and $114. Your toyota corolla will be happy to know that the search for the right starter relay products you've been looking for is over! A great help been given to me on my car repair.thankxxxx Just choose from our immense selection of premium. The best part is, our toyota corolla starter relay products start from as little as $17.99. It's one part that can be quickly checked to ensure its proper operation. I have power through the efi main relay & now want to check the circuit opening relay. I got suckered into buy the identity thing and now both of my remote are button stuck and i have to apply a lot of force to get it working.

The solenoid is on the starter.

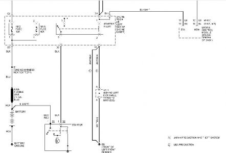
I checked the starter, the starter works when i apply power to the red wire in the neutral safety switch, but it does not start. About press copyright contact us creators advertise developers terms privacy policy & safety how youtube works test new features press copyright contact us creators. The solenoid is on the starter. We are a factory authorized toyota dealer with toyota parts and toyota accessories all at wholesale prices for your tundra, tacoma, camry, corolla, rav4, 4runner, avalon. Starter relay location 2003 toyota tundra, put 12v car charger in to charge phone and radio and clock went out. Remanufactured (2) this is a test. There will be a thick battery cable attached to the solenoid mechanism which is past of the starter. You will want to check these things if your camry wont start or tu. For toyota corolla 2001, 2002, 2003, 2004, 2005, 2006, 2007 model year, e120 chassis. Just choose from our immense selection of premium. We talk about a toyota corolla from 2002, right. Under the driver side dashboard, on top of the fuse box furthest. This video is about testing your toyota starter relay.

I just wanted to know where the starter relay is located at. Models made from 2009 to 2013 may be. A great help been given to me on my car repair.thankxxxx Starter relay location 2003 toyota tundra, put 12v car charger in to charge phone and radio and clock went out. In that case, the relay will trigger the solenoid.

2007 Toyota Camry Starter ~ Best Toyota
2007 Toyota Camry Starter ~ Best Toyota from www.justanswer.com
I have been googling for the last hour or two, looking under the hood, looking near the driver's pedals, etc, and i can't find the ignition starter relay for my 2005 toyota corolla ce. Toyota corolla ce / le / s 2002, multi purpose relay by santech®. The best part is, our toyota camry starter relay products start from as little as $17.99. Your toyota corolla will be happy to know that the search for the right starter relay products you've been looking for is over! Duralast (1) duralast gold (1) valucraft (1) product condition. The starter relays on most of your toyota trucks are located either in the relay block in the engine compartment or on the driver's side junction block. Get the best deals on starter parts for 2000 toyota corolla when you shop the largest online selection at ebay.com. For toyota corolla 2001, 2002, 2003, 2004, 2005, 2006, 2007 model year, e120 chassis.

Starter relay location 2003 toyota tundra, put 12v car charger in to charge phone and radio and clock went out.

Using a 2004 toyota camry, i point out the location of the starter fuse and starter relay. We are a factory authorized toyota dealer with toyota parts and toyota accessories all at wholesale prices for your tundra, tacoma, camry, corolla, rav4, 4runner, avalon. Fuse box in engine compartment. My fuel pump is not getting any voltage from the plug connection at the fuel tank. Duralast (1) duralast gold (1) valucraft (1) product condition. Looking to maintain the top condition of your electrical system? The best part is, our toyota camry starter relay products start from as little as $17.99. Where the starter relay is located and orientation for replacement on a 2006 toyota corolla. Under the driver side dashboard, on top of the fuse box furthest. Here at advance auto parts, we work with only top reliable starter relay product and part brands so you can shop with complete confidence. The starter motor is located on the rear of the engine under the inlet manifold and is bolted to the bell housing part of the transmission. This electrical part is designed to redirect power from the battery to the starter solenoid, which then activates the starter to spin over the. For toyota corolla 2001, 2002, 2003, 2004, 2005, 2006, 2007 model year, e120 chassis.

We talk about a toyota corolla from 2002, right. Toyota corolla ce / le / s 2002, multi purpose relay by santech®. Where is the starter located on a 92 toyota corolla? Remanufactured (2) this is a test. Where is the circuit opening relay?

Relay next to fog light relay? - Toyota Nation Forum : Toyota Car and Truck Forums
Relay next to fog light relay? - Toyota Nation Forum : Toyota Car and Truck Forums from i113.photobucket.com
Where is the starter located on a 92 toyota corolla? Where the starter relay is located and orientation for replacement on a 2006 toyota corolla. When it comes to your toyota camry, you want parts and products from only trusted brands. I checked the starter, the starter works when i apply power to the red wire in the neutral safety switch, but it does not start. Toyota corolla ce / le / s 2002, multi purpose relay by santech®. The starter relay is located on the passenger's side under the dash. The average cost for a toyota corolla starter relay replacement is between $106 and $114. Get the best deals on starter parts for 2000 toyota corolla when you shop the largest online selection at ebay.com.

Labor costs are estimated between $26 and $34 while parts are priced at $80.

Under the driver side dashboard, on top of the fuse box furthest. Your toyota corolla will be happy to know that the search for the right starter relay products you've been looking for is over! For toyota corolla 2001, 2002, 2003, 2004, 2005, 2006, 2007 model year, e120 chassis. We are a factory authorized toyota dealer with toyota parts and toyota accessories all at wholesale prices for your tundra, tacoma, camry, corolla, rav4, 4runner, avalon. Just choose from our immense selection of premium. This video is about testing your toyota starter relay. About press copyright contact us creators advertise developers terms privacy policy & safety how youtube works test new features press copyright contact us creators. You will want to check these things if your camry wont start or tu. This electrical part is designed to redirect power from the battery to the starter solenoid, which then activates the starter to spin over the. I just wanted to know where the starter relay is located at. Where is the starter located on a 92 toyota corolla? This video provides helpful tips for locating and troubleshooting the starter relay and socket in a 2010 toyota corolla. 1998, 1999, 2000, 2001, 2002.

Komentar